0396-4922611
切换导航
首页
(current)
公司概况
公司简介
组织架构
资讯中心
公司动态
行业动态
营商环境
科技之窗
信息公开
公告栏
水质公布
政策法规
企业文化
网上营业厅
个户报装
企业报装
水费查询缴纳
营业网点
报障报修
投诉建议
收费标准
报装指引
电子发票
联系我们
您所在的位置:
首页
信息公开
水质公布
内容
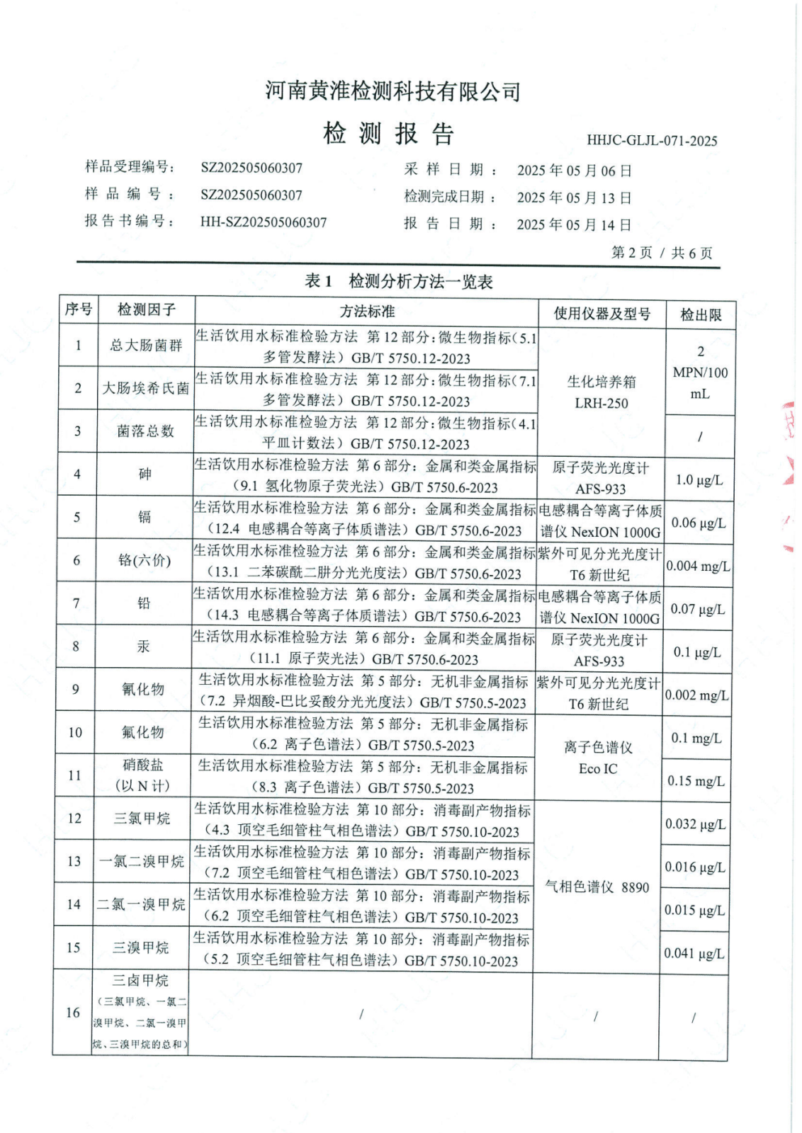
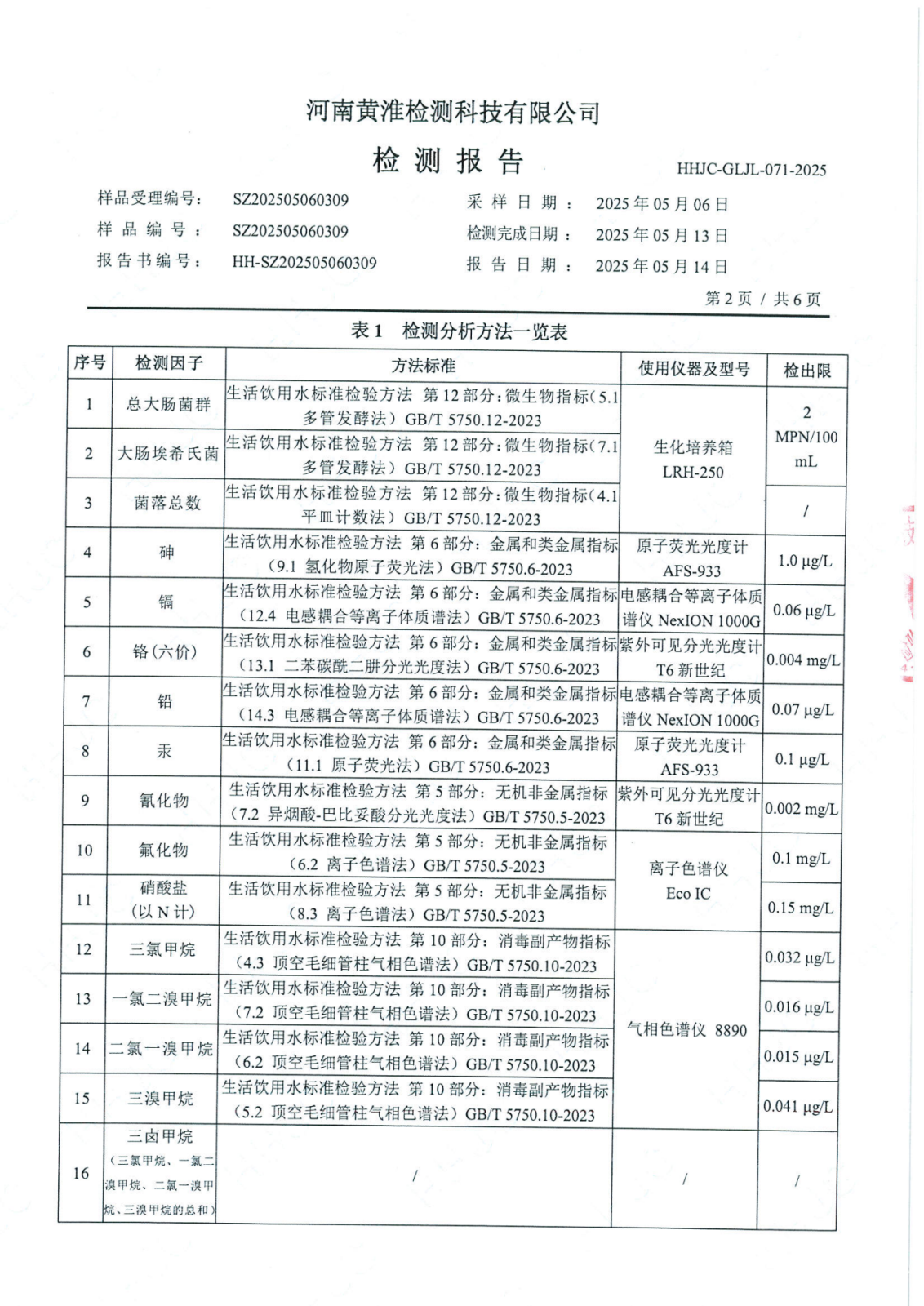
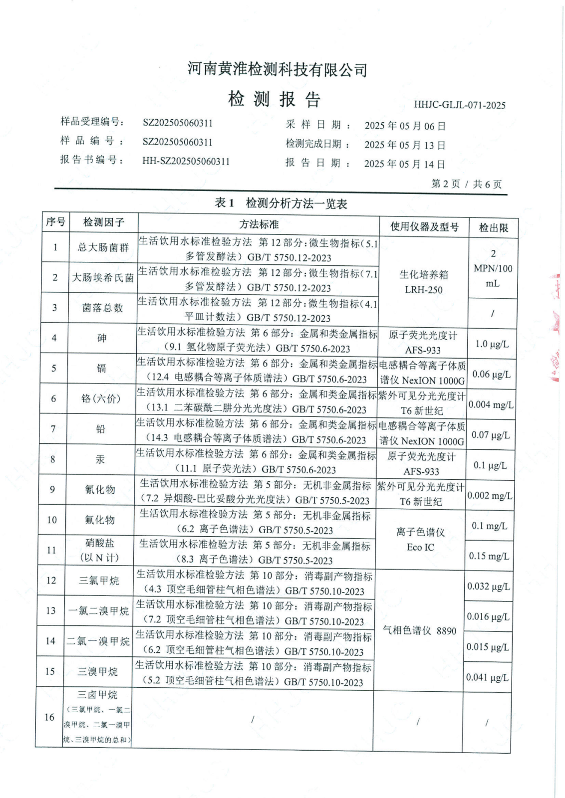
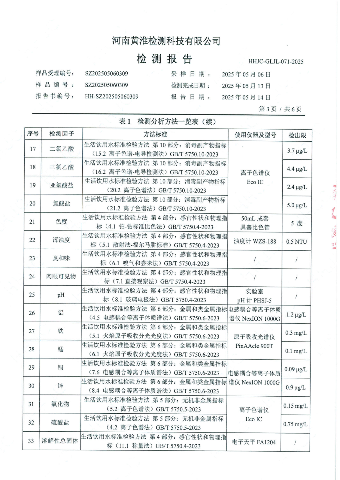
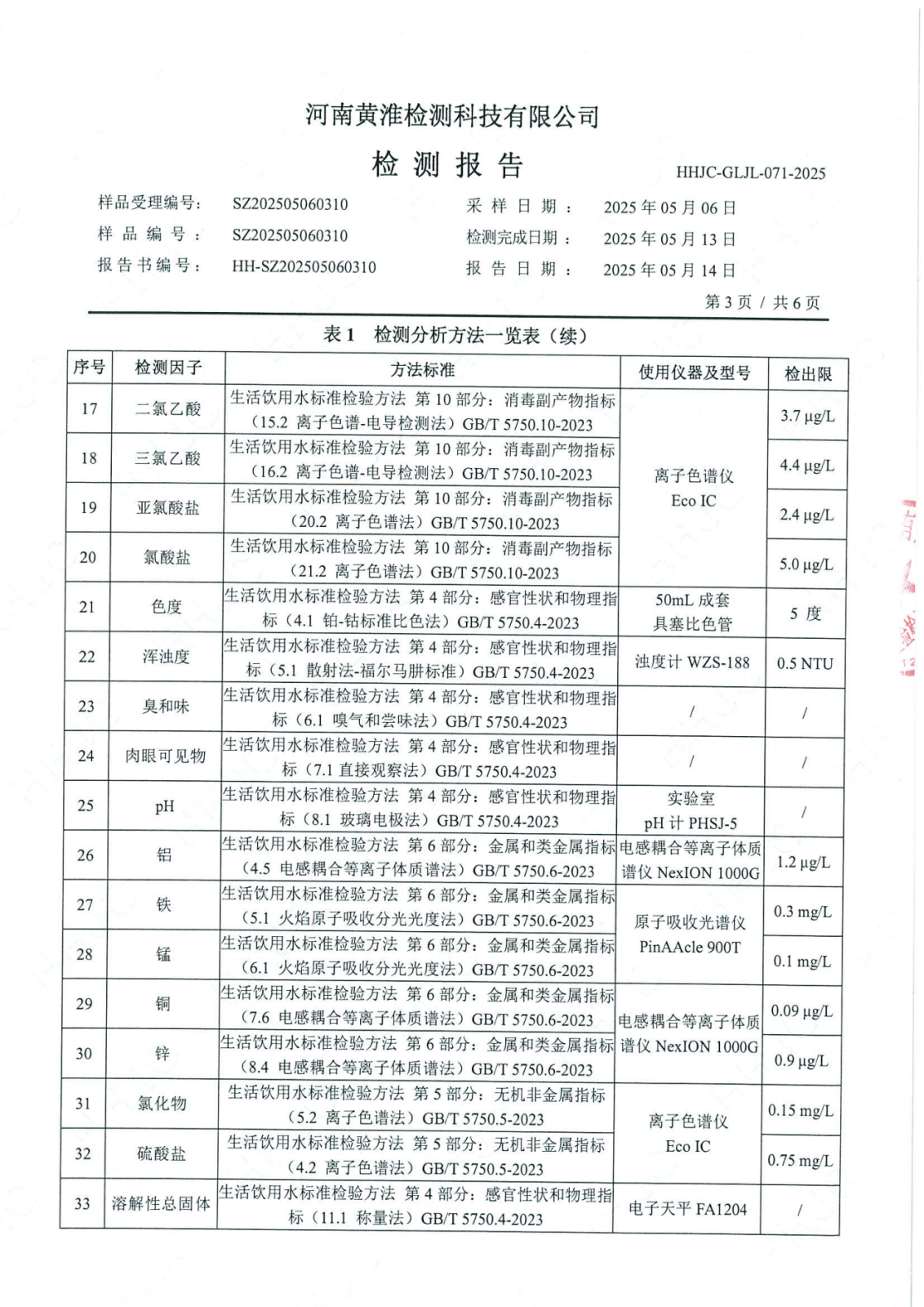
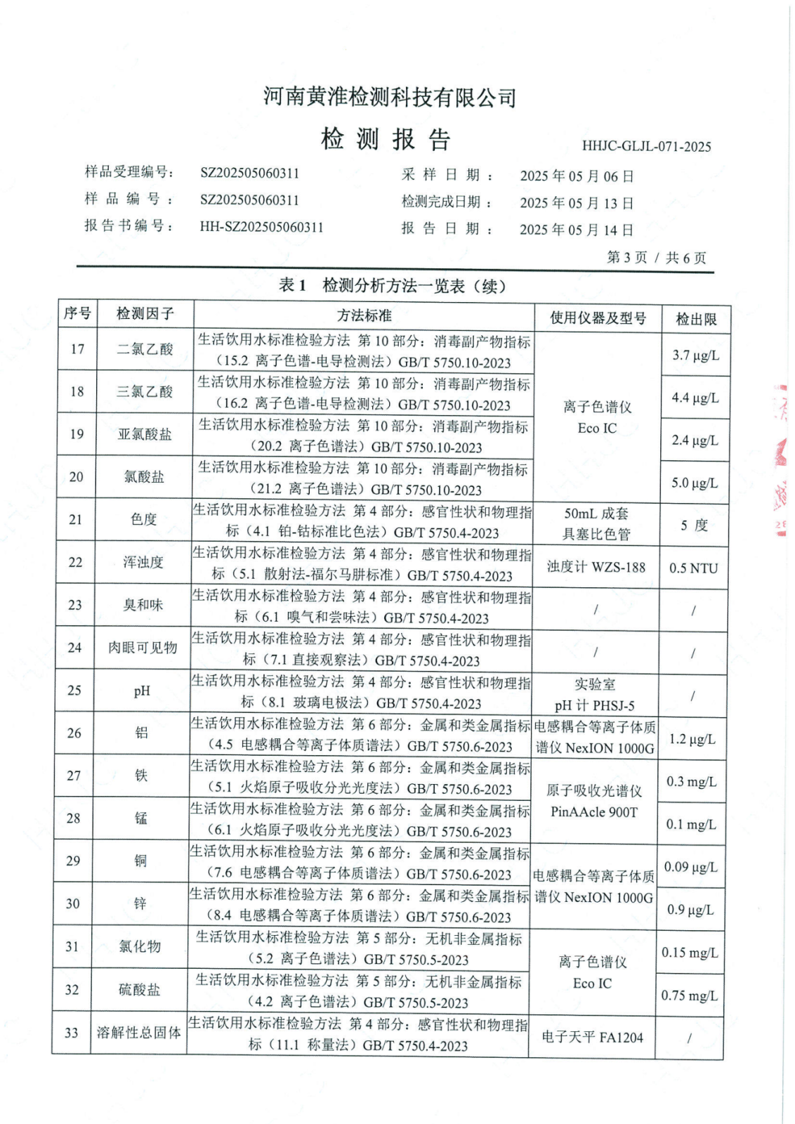
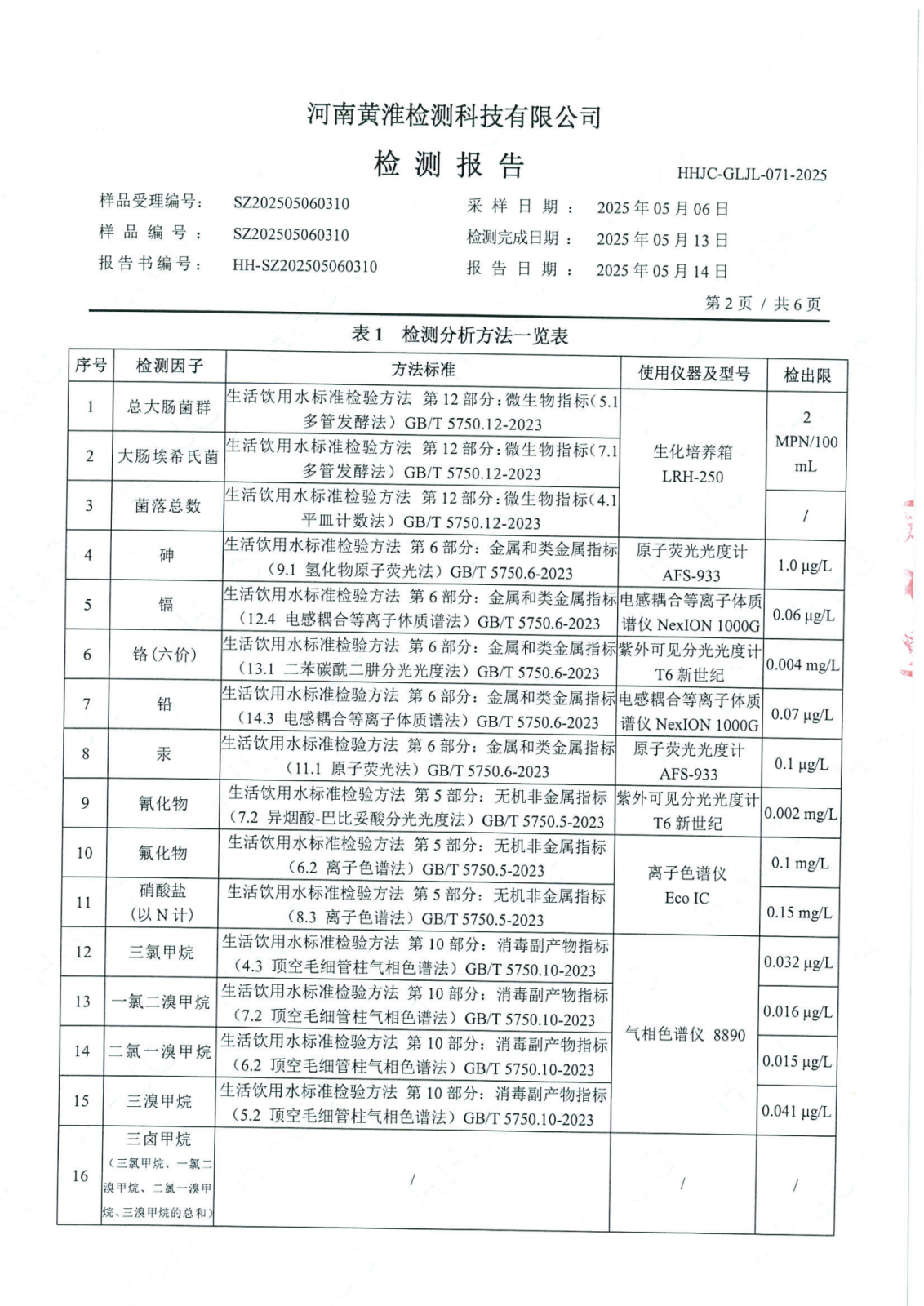
遂平上实水务有限公司2025年一水厂5月份水质检测报告
发布时间:2025-05-29 发布者:本站 浏览:386